Perte accessoires cad Deville 69


Posts recommandés

Posté(e)

Sur ma cad j'ai brusquement perdu le lave glace et l embrayage de clim tout le reste fonctionne bien

J ai vérifié tous les fusibles sous le tableau de bord et ils sont tous bons je n ai pas le schéma électrique et les couleurs sont différentes entre compartiment moteur et habitacle 

Quelqu'un aurait un schéma elec p que j essaie de m'y retrouver

Merci 

 

 

 

 

Posté(e)
il y a 6 minutes, Cammark 8 a dit :

Sur ma cad j'ai brusquement perdu le lave glace et l embrayage de clim

Refais la route en sens inverse en regardant bien partout :P

 

 

 

 

 

Blague à part, je n'ai pas ça dans mes papiers :(

Posté(e)

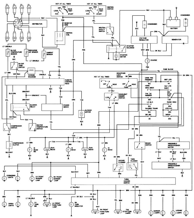
Je ne sais pas si ça t'aidera beaucoup mais j'ai trouvé ce schéma pour une de Ville 67 et je ne pense pas que cela soit vraiment différent en 69.

 

On peut voir en bas à droite que les couleurs de fils sont effectivement différentes entre le "washer switch" et le "washer motor": celui qui est blanc au départ se retrouve bleu clair, le bleu clair devient bleu foncé et blanc et l'orange est noir et orange à l'arrivée... Tu as un fil jaune qui va au fusible de 25 amp ....:sifflement:  Pourquoi faire simple...:D

 

Pour le "compressor clunch", bien que ne figurant pas sur ce shéma, il peut y avoir un fusible thermique dans le compartiment moteur. A vérifier en suivant le fil à partir du compresseur. 

 

Bon courrage.....;) 

Deville 67 wiring diagram.jpg

Posté(e) (modifié)

Merci ça va sûrement m aider il y a bien sur la gauche l embrayage du compresseur venant directement du climate control

 le mien a un léger problème le ventilo ne s arrête jamais même en position stop 

Je pense le déposer et nettoyer les contacts mais gare au distributeur pneumatique....

Ils aiment la salade de couleurs chez GM 

Modifié par Cammark 8
Posté(e)
il y a 39 minutes, Cammark 8 a dit :

Merci ça va sûrement m aider il y a bien sur la gauche l embrayage du compresseur venant directement du climate control

 le mien a un léger problème le ventilo ne s arrête jamais même en position stop 

Je pense le déposer et nettoyer les contacts mais gare au distributeur pneumatique....

Ils aiment la salade de couleurs chez GM 

 

Je ne aurai pas aider de façon déterminante sur ce sujet mais en ce qui concerne le ventilo, pas de problème forcément, je crois bien avoir lu sur mon shop manual de 1972 que ça peut arriver suivant les conditions ambiantes (capteur température ambiante et intérieure). sans compter qu'il y a un délai de 40 secondes environ entre le changement de position des réglages et la réalité des opérations...

Rejoindre la conversation

Vous pouvez poster un message maintenant et vous inscrire plus tard. Si vous avez un compte, Connectez-vous maintenant pour poster avec votre compte.

Lecteur (sans compte)
Répondre à ce sujet…

×   Vous avez collé du contenu avec mise en forme.   Restaurer la mise en forme

  Seulement 75 émoticônes maximum sont autorisées.

×   Votre lien a été automatiquement intégré.   Afficher plutôt comme un lien

×   Votre contenu précédent a été rétabli.   Vider l’éditeur

×   You cannot paste images directly. Upload or insert images from URL.